注意:访问本站需要Cookie和JavaScript支持!请设置您的浏览器! 打开购物车 查看留言付款方式联系我们
初中电子 单片机教材一 单片机教材二
搜索上次看见的商品或文章:
商品名、介绍 文章名、内容
首页 电子入门 学单片机 免费资源 下载中心 商品列表 象棋在线 在线绘图 加盟五一 加入收藏 设为首页
本站推荐:
8*8LED点阵显示实验
文章长度[7420] 加入时间[2006/10/11] 更新时间[2026/5/7 16:15:44] 级别[3] [评论] [收藏]
一.实验要求

利用实验系统提供的实验模块点阵显示,编程实现中英文字符的显示。

二.实验目的

1.了解LED点阵显示的基本原理和实现方法。

2.掌握点阵汉字库的编码和从标准字库中提取汉字编码的方法。

三.实验电路及连线

点阵显示模块WTD3088的(红色)列输入线接至内部LED的阴极端,行输入线接至内部LED的阳极端(若阳极端输入为高电平,阴极端输入低电平,则该LED点亮)。发光点的分布如图22-0所示。
        
             Fig 22-0 WTD3088 LED分布
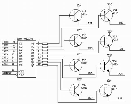
如图22-1示,本实验模块使用74LS374来控制列输入线的电平值。将74LS374的某输出置0,则对应的LED阴极端被置低。如图22-2示,本实验模块使用74LS273来控制行输入线,并通过9013提供电流驱动。将74LS273的某输出置1,则对应的LED阳极端被置高。每次系统重新开启或总清后,74LS273输出为全0,LED显示被关闭。

通过编程控制各显示点对应LED阳极和阴极端的电平,就可以有效的控制各显示点的亮灭。

 
                Fig 22-1 LED模块及列扫描电路
 

                    Fig 22-2 行扫描电路

 

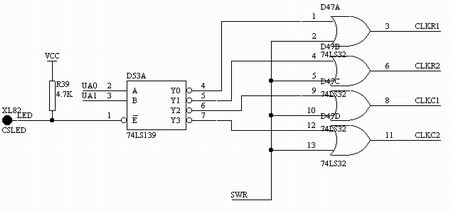
                    Fig 22-3地址译码电路

本实验模块使用4块WTD3088组成16×16点阵,以满足汉字显示的要求。为了方便的控制四个单元,使用了一片74LS139译码,产生四个地址片选信号:CLKR1= CSLED,CLKR2= CSLED+1,用于行控制的两片74LS273;CLKC1= CSLED+2,CLKC2= CSLED+3,用于列控制的两片74LS374。
实验接线:按示例程序,模块的CSLED接51/96地址的8000H。

四.实验说明

使用高亮度LED发光管构成点阵,通过编程控制可以显示中英文字符、图形及视频动态图形。LED显示以其组构方式灵活、亮度高、技术成熟、成本低廉等特点在证券、运动场馆及各种室内/外显示场合得到广泛的应用。

所显示字符的点阵数据可以自行编写(即直接点阵画图),也可从标准字库(如ASC16、HZ16)中提取。后者需要正确掌握字库的编码方法和字符定位的计算。

实验盘片中“字符转换”子目录下提供的Basc16.exe,BHz16.exe可方便的将单个字符的码表从标准字库Asc16,Hzk16中提取出来。具体使用方法是运行上述可执行程序,根据提示输入所需字符(如是汉字还需要先启动dos下的汉字环境,如ucdos,pdos95等)。程序将该字符的码表提取出来,存放在该字符ASC或区位码为文件名称的.dat文件中。用户只需将该文件中内容拷贝、粘贴到自己的程序中即可。但需要注意字节排列顺序、字节中每一位与具体显示点的一一对应关系,必要时还要对码表稍作修改。同一目录下还提供了上述可执行程序的源文件,使用BC3.1编写,供用户参考。

五.实验程序框图

            
      
       用户应留心其中行扫描的实现及码表的处理。
六.实验程序:

(一)提供LEDA51演示Asc16字符的简单点阵显示。
;*********LED 点阵显示示例程序***********************
;** 该程序显示 Asc16字符 **
;** 为了简单起见,程序只显示一个字符 **
;** 该程序针对T598实验机的模块14 **
;****************************************************

CSLED EQU 8000H 
CSR1 EQU CSLED ;行1 273
CSR2 EQU CSLED+1H ;行2 273
CSC1 EQU CSLED+2H ;列1 374
CSC2 EQU CSLED+3H ;列2 374

ORG 0000H

MOV SP,#60H
INIT: MOV A,#0H ;关闭行
MOV DPTR,#CSR1
MOVX @DPTR,A
MOV DPTR,#CSR2
MOVX @DPTR,A
MOV A,#0FFH ;关闭列
MOV DPTR,#CSC1
MOVX @DPTR,A
MOV DPTR,#CSC2
MOVX @DPTR,A

D: MOV R5,#00H
MOV R4,#01H ;每次为单行扫描
DISP: 
MOV A,R5
MOV DPTR,#ASCE ;此处设定所要显示的字符
MOVC A,@A+DPTR
CPL ACC ;代码取反,决定显示的阴阳
MOV DPTR,#CSC2
MOVX @DPTR,A

MOV DPTR,#CSR1
MOV A,R4
MOVX @DPTR,A
RL ACC
MOV R4,ACC
INC R5
LCALL DELAY
CJNE R5,#8H,DISP 

MOV A,#0H
MOVX @DPTR,A

MOV R5,#08H
MOV R4,#01H
DISP2: 
MOV A,R5
MOV DPTR,#ASCE
MOVC A,@A+DPTR
CPL ACC
MOV DPTR,#CSC2
MOVX @DPTR,A

MOV DPTR,#CSR2
MOV A,R4
MOVX @DPTR,A
RL ACC
MOV R4,ACC
INC R5
LCALL DELAY
CJNE R5,#10H,DISP2 

MOV A,#0H
MOVX @DPTR,A

SJMP D
;******** 延时子程序,协调字符显示速度 *************
DELAY: MOV R7,#1H
DL1: MOV R6,#00H
DL2: DJNZ R6,DL2
DJNZ R7,DL1
RET

;******** 字符点阵字库 ***************
; ASC16 字符编码排列
; 0
; 1
; |
; |
; 14
; 15
; 高位 D7--D0 
; 请注意编码的排列次序和实际显示点阵分布的关系 
ASCA:DB 00H,00H,10H,38H,6CH,0C6H,0C6H,0FEH
DB 0C6H,0C6H,0C6H,0C6H,00H,00H,00H,00H
ASCE:DB 00H,00H,0FEH,66H,62H,68H,78H,68H
DB 60H,62H,66H,0FEH,00H,00H,00H,00H
ASCD:DB 00H,00H,0F8H,6CH,66H,66H,66H,66H
DB 66H,66H,6CH,0F8H,00H,00H,00H,00H
ASCK:DB 00H,00H,0E6H,66H,66H,6CH,78H,78H
DB 6CH,66H,66H,0E6H,00H,00H,00H,00H
;****************************************************
END

(二)LEDHZ51两个示例程序。和Hz16字符的简单点阵显示。
;*********LED 点阵显示示例程序***********************
;** 该程序显示 hz16字符 **
;** 为了简单起见,程序只显示一个字符 **
;** 该程序针对T598实验机的模块14 **
;****************************************************

CSLED EQU 8000H 
CSR1 EQU CSLED ;行1 273
CSR2 EQU CSLED+1H ;行2 273
CSC1 EQU CSLED+2H ;列1 374
CSC2 EQU CSLED+3H ;列2 374

ORG 0000H

MOV SP,#60H
INIT: MOV A,#0H ;关闭LED显示
MOV DPTR,#CSR1
MOVX @DPTR,A
MOV DPTR,#CSR2
MOVX @DPTR,A
MOV A,#0FFH ;关闭LED显示
MOV DPTR,#CSC1
MOVX @DPTR,A
MOV DPTR,#CSC2
MOVX @DPTR,A

D: MOV R5,#00H
MOV R4,#01H
DISP: 
MOV A,R5
RL ACC
MOV DPTR,#HZAI
MOVC A,@A+DPTR
CPL ACC
MOV DPTR,#CSC2
MOVX @DPTR,A

MOV A,R5
RL ACC
INC ACC
MOV DPTR,#HZAI
MOVC A,@A+DPTR
CPL ACC
MOV DPTR,#CSC1
MOVX @DPTR,A

MOV DPTR,#CSR1
MOV A,R4
MOVX @DPTR,A
RL ACC
MOV R4,ACC
INC R5
LCALL DELAY
CJNE R5,#8H,DISP 

MOV A,#0H
MOVX @DPTR,A

MOV R5,#08H
MOV R4,#01H
DISP2: 
MOV A,R5
RL ACC
MOV DPTR,#HZAI
MOVC A,@A+DPTR
CPL ACC
MOV DPTR,#CSC2
MOVX @DPTR,A

MOV A,R5
RL ACC
INC ACC
MOV DPTR,#HZAI
MOVC A,@A+DPTR
CPL ACC
MOV DPTR,#CSC1
MOVX @DPTR,A

MOV DPTR,#CSR2
MOV A,R4
MOVX @DPTR,A
RL ACC
MOV R4,ACC
INC R5
LCALL DELAY
CJNE R5,#10H,DISP2 

MOV A,#0H
MOVX @DPTR,A

SJMP D
;******** 延时子程序,协调字符显示速度 *************
DELAY: MOV R7,#1H
DL1: MOV R6,#00H
DL2: DJNZ R6,DL2
DJNZ R7,DL1
RET
;******** 字符点阵字库 ***************
; HZ16 字符编码排列
; 0 1
; 2 3
; |
; |
; 28 29
; 30 31
; 高位 D7--D0 
HZAI:DB 00H,78H,3FH,80H,11H,10H,09H,20H
DB 7FH,0FEH,42H,02H,82H,04H,7FH,0F8H
DB 04H,00H,07H,0F0H,0AH,20H,09H,40H
DB 10H,80H,11H,60H,22H,1CH,0CH,08H

HZDI:DB 00H,80H,40H,80H,20H,88H,2FH,0FCH
DB 08H,88H,08H,88H,0E8H,88H,2FH,0F8H
DB 28H,88H,28H,88H,28H,88H,2FH,0F8H
DB 28H,08H,50H,06H,8FH,0FCH,00H,00H

HZKE:DB 01H,00H,01H,04H,0FFH,0FEH,01H,00H
DB 01H,10H,1FH,0F8H,10H,10H,10H,10H
DB 10H,10H,1FH,0F0H,14H,50H,04H,40H
DB 04H,40H,08H,42H,10H,42H,60H,3EH
;****************************************************
END

1、 本站不保证以上观点正确,就算是本站原创作品,本站也不保证内容正确。
2、如果您拥有本文版权,并且不想在本站转载,请书面通知本站立即删除并且向您公开道歉! 以上可能是本站收集或者转载的文章,本站可能没有文章中的元件或产品,如果您需要类似的商品请 点这里查看商品列表!
本站协议 | 版权信息 |  关于我们 |  本站地图 |  营业执照 |  发票说明 |  付款方式 |  联系方式
深圳市宝安区西乡五壹电子商行——粤ICP备16073394号-1;地址:深圳西乡河西四坊183号;邮编:518102
E-mail:51dz$163.com($改为@);Tel:(0755)27947428
工作时间:9:30-12:00和13:30-17:30和18:30-20:30,无人接听时可以再打手机13537585389