注意:访问本站需要Cookie和JavaScript支持!请设置您的浏览器! 打开购物车 查看留言付款方式联系我们
初中电子 单片机教材一 单片机教材二
搜索上次看见的商品或文章:
商品名、介绍 文章名、内容
首页 电子入门 学单片机 免费资源 下载中心 商品列表 象棋在线 在线绘图 加盟五一 加入收藏 设为首页
本站推荐:
KEELOQ滚动码编解码器与RFID
文章长度[3262] 加入时间[2007/1/24] 更新时间[2026/3/16 14:53:26] 级别[0] [评论] [收藏]
美国Microchip公司推出的HCSXXX,是为远程无"钥匙"遥控开锁系统中加密识别单元而设计的KEELOQ滚动码编解码器。它采用最新加密编码技术--Keeloq滚动算法对所要传输的代码进行加密-----使得每次发送的码以无规律方式变化,且都是唯一的,不重复的,故称之为滚动码,因此具有极高的保密性。
因此滚动码和固定码就传输的保密性进行比较,前者的优越性和先进性是显而易见的。固定码的保密性很低, 用空中拦截的方法很容易把代码攫取下来以备今后重新发送(实际上我国已经发生了很多不法分子用仪器截取电话手机密码的案例),或者用所有可能的码去逐一试用直到搜寻到正确代码(俗称尝试法)。而如果采用滚动码,原始代码虽相同,但每次所传输的代码却千差万别, 所以上述攫取和扫描两种非法侵入都是徒劳无功的。
滚动码应用系统十分简单,它由编码器与解码器俩部分组成。编码器由MICROCHIP的HCSXXX专用编码芯片加简单的外围电路构成。其中解码器又分为软件解码与硬件解码。软件解码器主芯片为内置KEELOQ解码软件的MCU;而硬件解码主芯片则为HCS5XX专用解码芯片。

目前常用的编码器芯片的型号及其功能参数见下表:
型号 传输代码长度
(BIT) 滚动码
(BIT) 可编程密钥
(BIT) 种子码长度
(BIT) 电压范围
(伏) 功能数目 主要特性 封装
HCS101 66 3.5-13 7 固定码, 28BIT系列码 8P,8SN
HCS200 66 32 64 32 3.5-13 7 8P,8SN
HCS201 66 32 64 32 3.5-13 7 8P,8SN
HCS300 66 32 64 32 2.0-6.3 15 LED指示,电池不足指示,
超时关断 8P,8SN
HCS301 66 32 64 32 3.5-13.0 15 8P,8SN
HCS320 66 32 64 32 3.5-13 16 移位操作, 其它同HCS300 8P,8SN
HCS360 67 32 64 48 2.0-6.6 15 IR、PWM、MANCHESTER 编码
2-BIT CRC 8P,8SN
HCS361 67 32 64 48 2.0-6.6 15 IR、PWM、VPWM 编码,
2-BIT CRC 8P,8SN
HCS362 67 32 2*64 60 2.0-6.6
HCS365 67 32 2*64 60 2.0-6.6 4*15 PWM、VPWM、PPM、
MANCHESTER 编码 8P,8SM,8ST
HCS370 69 32 2*64 60 2.0-6.6 4*15 PWM、VPWM、PPM、
MANCHESTER 编码 14P,14SL,14ST

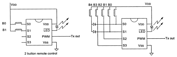
其中HCS100/200/201/300/301/320为低成本品种,面向大众化产品。HCS360/362/HSC365/370功能增强型。最常用的HCS300/301为8脚PDIP和SOIC封装,图A为HCS300/301的内部结构,它有4个按键输入接口,最多可外接15个按键,外围电路只需按键和RF电路,成本很低,典型电路见图B。
图片点击可在新窗口打开查看
图A:HCS300/301内部结构

图片点击可在新窗口打开查看
图B:典型应用电路

常用编码芯片的引脚图如下:
图片点击可在新窗口打开查看
HCS101/200/201 HCS300/301/360/361

图片点击可在新窗口打开查看
HCS320 HCS365 HCS370

常用的接收器芯片的型号及其功能参数见下表:
型号 传输代码长度
(BIT) 滚动码
(BIT) 可编程密钥
(BIT) 种子码长度
(BIT) 电压范围
(伏) 功能数目 其它特性 封装
HCS410 69 32 64 60 2.0-6.6 7 感应式 8P,8SN,8ST,WM
HCS412 69 32 64 60 2.0-6.6 7 无源 8P,8SN,8ST,WM
HCS473 67/69 32 2x64 60 2.0-5.5 4x15

接收器芯片引脚图如下:
图片点击可在新窗口打开查看
HCS410 HCS412 HCS473

常用的解码器芯片的型号及其功能参数见下表:
型号 接收代码
长度(BIT) 支持的编码器 最多可容纳
编码器数量 电压范围
(伏) 功能输出 其它特性 封装
HCS500 67 HCS101,HCS200,
HCS201,HCS300,
HCS301,HCS320,
HCS360,HCS361,
HCS410,HCS412 7 4.5-5.5 15个功能串行输出 串行接口 8P,8SM
HCS512 67 4 3.0-6.0 15个功能并行输出;
低电标志 可 SECURE LEARN 8P,18S0
HCS515 67 7 4.5-5.5 15个功能串行、
并行输出 串行、并行接口;
片内带1K编码器EEPROM
及1K用户可用EEPROM 14P,14SL

接收器芯片引脚图如下:
图片点击可在新窗口打开查看
HCS500 HCS512 HCS515


1、 本站不保证以上观点正确,就算是本站原创作品,本站也不保证内容正确。
2、如果您拥有本文版权,并且不想在本站转载,请书面通知本站立即删除并且向您公开道歉! 以上可能是本站收集或者转载的文章,本站可能没有文章中的元件或产品,如果您需要类似的商品请 点这里查看商品列表!
本站协议 | 版权信息 |  关于我们 |  本站地图 |  营业执照 |  发票说明 |  付款方式 |  联系方式
深圳市宝安区西乡五壹电子商行——粤ICP备16073394号-1;地址:深圳西乡河西四坊183号;邮编:518102
E-mail:51dz$163.com($改为@);Tel:(0755)27947428
工作时间:9:30-12:00和13:30-17:30和18:30-20:30,无人接听时可以再打手机13537585389