注意:访问本站需要Cookie和JavaScript支持!请设置您的浏览器! 打开购物车 查看留言付款方式联系我们
初中电子 单片机教材一 单片机教材二
搜索上次看见的商品或文章:
商品名、介绍 文章名、内容
首页 电子入门 学单片机 免费资源 下载中心 商品列表 象棋在线 在线绘图 加盟五一 加入收藏 设为首页
本站推荐:
7. I/O并行口直接驱动LED显示
文章长度[] 加入时间[2008/5/30] 更新时间[2026/1/31 15:19:40] 级别[0] [评论] [收藏]
 
1.     实验任务
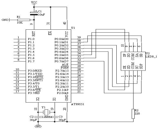
如图13所示,利用AT89S51单片机的P0端口的P0.0-P0.7连接到一个共阴数码管的a-h的笔段上,数码管的公共端接地。在数码管上循环显示0-9数字,时间间隔0.2秒。
2.     电路原理图
图4.7.1
3.     系统板上硬件连线
把“单片机系统”区域中的P0.0/AD0-P0.7/AD7端口用8芯排线连接到“四路静态数码显示模块”区域中的任一个数码管的a-h端口上;要求:P0.0/AD0与a相连,P0.1/AD1与b相连,P0.2/AD2与c相连,……,P0.7/AD7与h相连。
4.     程序设计内容
(1.       LED数码显示原理
七段LED显示器内部由七个条形发光二极管和一个小圆点发光二极管组成,根据各管的极管的接线形式,可分成共阴极型和共阳极型。
LED数码管的g~a七个发光二极管因加正电压而发亮,因加零电压而不以发亮,不同亮暗的组合就能形成不同的字形,这种组合称之为字形码,下面给出共阴极的字形码见表2

“0”
3FH
“8”
7FH
“1”
06H
“9”
6FH
“2”
5BH
“A”
77H
“3”
4FH
“b”
7CH
“4”
66H
“C”
39H
“5”
6DH
“d”
5EH
“6”
7DH
“E”
79H
“7”
07H
“F”
71H

(2.       由于显示的数字0-9的字形码没有规律可循,只能采用查表的方式来完成我们所需的要求了。这样我们按着数字0-9的顺序,把每个数字的笔段代码按顺序排好!建立的表格如下所示:TABLE DB 3FH,06H,5BH,4FH,66H,6DH,7DH,07H,7FH,6FH
5.程序框图
图4.7.2
6. 汇编源程序
                            ORG 0
START:               MOV R1,#00H
NEXT:                MOV A,R1
                            MOV DPTR,#TABLE
                            MOVC A,@A+DPTR
                            MOV P0,A
                            LCALL DELAY
                            INC R1
                            CJNE R1,#10,NEXT
                            LJMP START
DELAY:              MOV R5,#20
D2:                      MOV R6,#20
D1:                      MOV R7,#248
                            DJNZ R7,$
                            DJNZ R6,D1
                            DJNZ R5,D2
                            RET
TABLE:              DB 3FH,06H,5BH,4FH,66H,6DH,7DH,07H,7FH,6FH
                            END
7. C语言源程序
#include <AT89X51.H>
unsigned char code table[]={0x3f,0x06,0x5b,0x4f,0x66,
                            0x6d,0x7d,0x07,0x7f,0x6f};
unsigned char dispcount;
void delay02s(void)
{
  unsigned char i,j,k;
  for(i=20;i>0;i--)
  for(j=20;j>0;j--)
  for(k=248;k>0;k--);
}
void main(void)
{
  while(1)
    {
      for(dispcount=0;dispcount<10;dispcount++)
        {
          P0=table[dispcount];
          delay02s();
        }
    }
}
1、 本站不保证以上观点正确,就算是本站原创作品,本站也不保证内容正确。
2、如果您拥有本文版权,并且不想在本站转载,请书面通知本站立即删除并且向您公开道歉! 以上可能是本站收集或者转载的文章,本站可能没有文章中的元件或产品,如果您需要类似的商品请 点这里查看商品列表!
本站协议 | 版权信息 |  关于我们 |  本站地图 |  营业执照 |  发票说明 |  付款方式 |  联系方式
深圳市宝安区西乡五壹电子商行——粤ICP备16073394号-1;地址:深圳西乡河西四坊183号;邮编:518102
E-mail:51dz$163.com($改为@);Tel:(0755)27947428
工作时间:9:30-12:00和13:30-17:30和18:30-20:30,无人接听时可以再打手机13537585389