注意:访问本站需要Cookie和JavaScript支持!请设置您的浏览器! 打开购物车 查看留言付款方式联系我们
初中电子 单片机教材一 单片机教材二
搜索上次看见的商品或文章:
商品名、介绍 文章名、内容
首页 电子入门 学单片机 免费资源 下载中心 商品列表 象棋在线 在线绘图 加盟五一 加入收藏 设为首页
本站推荐:
8. 按键识别方法之一
文章长度[] 加入时间[2008/5/30] 更新时间[2026/3/16 21:48:11] 级别[0] [评论] [收藏]
 
1. 实验任务 I/O并行口直接驱动LED显示
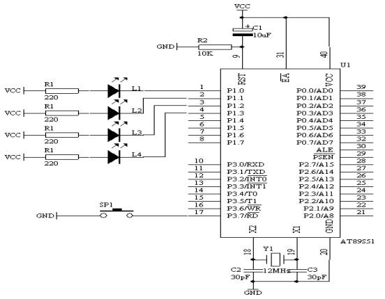
每按下一次开关SP1,计数值加1,通过AT89S51单片机的P1端口的P1.0到P1.3显示出其的二进制计数值。
2. 电路原理图
图4.8.1
3. 系统板上硬件连线
(1.       把“单片机系统”区域中的P3.7/RD端口连接到“独立式键盘”区域中的SP1端口上;
(2.       把“单片机系统”区域中的P1.0-P1.4端口用8芯排线连接到“八路发光二极管指示模块”区域中的“L1-L8”端口上;要求,P1.0连接到L1,P1.1连接到L2,P1.2连接到L3,P1.3连接到L4上。
4. 程序设计方法
(1.       其实,作为一个按键从没有按下到按下以及释放是一个完整的过程,也就是说,当我们按下一个按键时,总希望某个命令只执行一次,而在按键按下的 过程中,不要有干扰进来,因为,在按下的过程中,一旦有干扰过来,可能造成误触发过程,这并不是我们所想要的。因此在按键按下的时候,         图4.8.2
要把我们手上的干扰信号以及按键的机械接触等干扰信号给滤除掉,一般情况下,我们可以采用电容来滤除掉这些干扰信号,但实际上,会增加硬件成本及硬件电路的体积,这是我们不希望,总得有个办法解决这个问题,因此我们可以采用软件滤波的方法去除这些干扰信号,一般情况下,一个按键按下的时候,总是在按下的时刻存在着一定的干扰信号,按下之后就基本上进入了稳定的状态。具体的一个按键从按下到释放的全过程的信号图如上图所示:
从图中可以看出,我们在程序设计时,从按键被识别按下之后,延时5ms以上,从而避开了干扰信号区域,我们再来检测一次,看按键是否真得已经按下,若真得已经按下,这时肯定输出为低电平,若这时检测到的是高电平,证明刚才是由于干扰信号引起的误触发,CPU就认为是误触发信号而舍弃这次的按键识别过程。从而提高了系统的可靠性。
由于要求每按下一次,命令被执行一次,直到下一次再按下的时候,再执行一次命令,因此从按键被识别出来之后,我们就可以执行这次的命令,所以要有一个等待按键释放的过程,显然释放的过程,就是使其恢复成高电平状态。
(1.       对于按键识别的指令,我们依然选择如下指令JB BIT,REL指令是用来检测BIT是否为高电平,若BIT=1,则程序转向REL处执行程序,否则就继续向下执行程序。或者是 JNB BIT,REL指令是用来检测BIT是否为低电平,若BIT=0,则程序转向REL处执行程序,否则就继续向下执行程序。
(2.       但对程序设计过程中按键识别过程的框图如右图所示:                 图4.8.3
5. 程序框图
 
图4.8.4
6. 汇编源程序
        
 
 
 
 
 
 
 
                             ORG 0
START:                        MOV R1,#00H                     ;初始化R7为0,表示从0开始计数
                                     MOV A,R1                                     ;
                                     CPL A                                             ;取反指令
                                     MOV P1,A                                     ;送出P1端口由发光二极管显示
REL:                    JNB P3.7,REL                                ;判断SP1是否按下
                                     LCALL DELAY10MS          ;若按下,则延时10ms左右
                                     JNB P3.7,REL                                ;再判断SP1是否真得按下
                                     INC R7                                           ;若真得按下,则进行按键处理,使
                                     MOV A,R7                                     ;计数内容加1,并送出P1端口由
                                     CPL A                                             ;发光二极管显示
                                     MOV P1,A                                     ;
                                     JNB P3.7,$                                     ;等待SP1释放
                                     SJMP REL                                      ;继续对K1按键扫描
DELAY10MS:    MOV R6,#20                                  ;延时10ms子程序
L1:                                MOV R7,#248
                                     DJNZ R7,$
                                     DJNZ R6,L1
                                     RET
                                     END
7. C语言源程序
#include <AT89X51.H>
unsigned char count;
void delay10ms(void)
{
  unsigned char i,j;
  for(i=20;i>0;i--)
  for(j=248;j>0;j--);
}
void main(void)
{
  while(1)
    {
      if(P3_7==0)
        {
          delay10ms();
          if(P3_7==0)
            {
              count++;
              if(count==16)
                {
                  count=0;
                }
              P1=~count;
              while(P3_7==0);
            }
        }
    }
}
1、 本站不保证以上观点正确,就算是本站原创作品,本站也不保证内容正确。
2、如果您拥有本文版权,并且不想在本站转载,请书面通知本站立即删除并且向您公开道歉! 以上可能是本站收集或者转载的文章,本站可能没有文章中的元件或产品,如果您需要类似的商品请 点这里查看商品列表!
本站协议 | 版权信息 |  关于我们 |  本站地图 |  营业执照 |  发票说明 |  付款方式 |  联系方式
深圳市宝安区西乡五壹电子商行——粤ICP备16073394号-1;地址:深圳西乡河西四坊183号;邮编:518102
E-mail:51dz$163.com($改为@);Tel:(0755)27947428
工作时间:9:30-12:00和13:30-17:30和18:30-20:30,无人接听时可以再打手机13537585389