| 注意:访问本站需要Cookie和JavaScript支持!请设置您的浏览器! • 打开购物车 • 查看留言 • 付款方式 • 联系我们 |
![]() |
| 首页 | 电子入门 | 学单片机 | 免费资源 | 下载中心 | 商品列表 | 象棋在线 | 在线绘图 | 加盟五一 | 加入收藏 | 设为首页 |
| 选择分类:当前分类——学单片机 相关联或者相类似的文章: 测电流法(505) 器件的筛选与检测(505) 飞行写真(505) 几款直流升压电路(504) 重复式定时电路(503) 28. 数字电压表(503) 防抖动轻触开关(503) 外星人来的那一天(503) 常用运算放大器(502) 315MHz无线红外探测器(502) 怎样利用音乐改善心理状态?(502) 巧购电子元器件(502) 单片机可编程广播自动播出系统(502) 小小电容之大大观(502) 购物21个月后以诚信为理由要求退款(500) 电子高压灭蝇器电路图解(500) 电子点火器电路图及工作原理分析(500) 蓝牙收发芯片RF2968的原理及应用 (500) 如何DIY 投影机?新手知识讲座!(500) 学电子----电子元件介绍(500) 首页 前页 后页 尾页 本站推荐: | 28. 数字电压表 1. 实验任务
利用单片机AT89S51与ADC0809设计一个数字电压表,能够测量0-5V之间的直流电压值,四位数码显示,但要求使用的元器件数目最少。
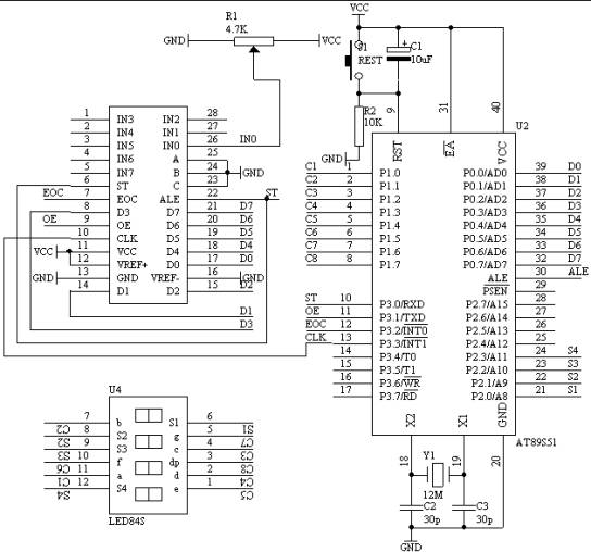
2. 电路原理图
![]() 图1.28.1
3. 系统板上硬件连线
a) 把“单片机系统”区域中的P1.0-P1.7与“动态数码显示”区域中的ABCDEFGH端口用8芯排线连接。
b) 把“单片机系统”区域中的P2.0-P2.7与“动态数码显示”区域中的S1S2S3S4S5S6S7S8端口用8芯排线连接。
c) 把“单片机系统”区域中的P3.0与“模数转换模块”区域中的ST端子用导线相连接。
d) 把“单片机系统”区域中的P3.1与“模数转换模块”区域中的OE端子用导线相连接。
e) 把“单片机系统”区域中的P3.2与“模数转换模块”区域中的EOC端子用导线相连接。
f) 把“单片机系统”区域中的P3.3与“模数转换模块”区域中的CLK端子用导线相连接。
g) 把“模数转换模块”区域中的A2A1A0端子用导线连接到“电源模块”区域中的GND端子上。
h) 把“模数转换模块”区域中的IN0端子用导线连接到“三路可调电压模块”区域中的VR1端子上。
i) 把“单片机系统”区域中的P0.0-P0.7用8芯排线连接到“模数转换模块”区域中的D0D1D2D3D4D5D6D7端子上。
4. 程序设计内容
i. 由于ADC0809在进行A/D转换时需要有CLK信号,而此时的ADC0809的CLK是接在AT89S51单片机的P3.3端口上,也就是要求从P3.3输出CLK信号供ADC0809使用。因此产生CLK信号的方法就得用软件来产生了。
ii. 由于ADC0809的参考电压VREF=VCC,所以转换之后的数据要经过数据处理,在数码管上显示出电压值。实际显示的电压值 (D/256*VREF)
5. 汇编源程序
(略)
6. C语言源程序
#include <AT89X52.H>
unsigned char code dispbitcode[]={0xfe,0xfd,0xfb,0xf7,
0xef,0xdf,0xbf,0x7f};
unsigned char code dispcode[]={0x3f,0x06,0x5b,0x4f,0x66,
0x6d,0x7d,0x07,0x7f,0x6f,0x00};
unsigned char dispbuf[8]={10,10,10,10,0,0,0,0};
unsigned char dispcount;
unsigned char getdata;
unsigned int temp;
unsigned char i;
sbit ST=P3^0;
sbit OE=P3^1;
sbit EOC=P3^2;
sbit CLK=P3^3;
void main(void)
{
ST=0;
OE=0;
ET0=1;
ET1=1;
EA=1;
TMOD=0x12;
TH0=216;
TL0=216;
TH1=(65536-4000)/256;
TL1=(65536-4000)%256;
TR1=1;
TR0=1;
ST=1;
ST=0;
while(1)
{
if(EOC==1)
{
OE=1;
getdata=P0;
OE=0;
temp=getdata*235;
temp=temp/128;
i=5;
dispbuf[0]=10;
dispbuf[1]=10;
dispbuf[2]=10;
dispbuf[3]=10;
dispbuf[4]=10;
dispbuf[5]=0;
dispbuf[6]=0;
dispbuf[7]=0;
while(temp/10)
{
dispbuf[i]=temp%10;
temp=temp/10;
i++;
}
dispbuf[i]=temp;
ST=1;
ST=0;
}
}
}
void t0(void) interrupt 1 using 0
{
CLK=~CLK;
}
void t1(void) interrupt 3 using 0
{
TH1=(65536-4000)/256;
TL1=(65536-4000)%256;
P1=dispcode[dispbuf[dispcount]];
P2=dispbitcode[dispcount];
if(dispcount==7)
{
P1=P1 | 0x80;
}
dispcount++;
if(dispcount==8)
{
dispcount=0;
}
} 1、 本站不保证以上观点正确,就算是本站原创作品,本站也不保证内容正确。 2、如果您拥有本文版权,并且不想在本站转载,请书面通知本站立即删除并且向您公开道歉! |
|
本站协议 |
版权信息 |
关于我们 |
本站地图 |
营业执照 |
发票说明 |
付款方式 |
联系方式
深圳市宝安区西乡五壹电子商行——粤ICP备16073394号-1;地址:深圳西乡河西四坊183号;邮编:518102 E-mail:51dz$163.com($改为@);Tel:(0755)27947428 工作时间:9:30-12:00和13:30-17:30和18:30-20:30,无人接听时可以再打手机13537585389 |