CXA1691m收音IC,收音集成电路。想装收音机的朋友建议采用此电路,此电路外围元件少也比较容易购买。 频率范围:AM 530~1605 KHZ FM 87~108 MHZ 电源电压:DC 3V 想自已动手装收音机的朋友,建议参考芯片电路图。

本站应用套件有/0/s---2649--.htm
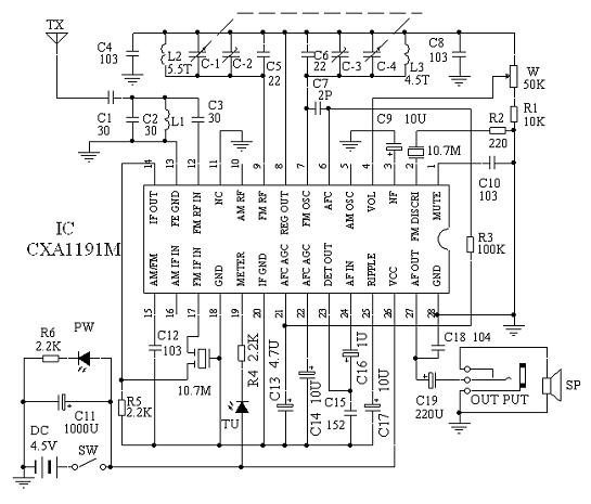
工作电压:2-7.5V 静态电流:9mA 频率范围:88.0MHz--108.0MHz
FM广播信号经天线接收后由C1、C2、C3、L1组成的带宽滤波电路滤波,除去88.0MHz--108.0MHz以外的信号,然后从IC的12脚输入到内部进行高频放大,再经9脚外围元件C5、PVC、L2选频回路选出要接收的广播信号去与7脚外接的C6、PVC、L3、C7组成的本振回路混频,从IC CXA1691的14输出10.7MHz的中频信号,经10.7MHz的中频滤波器滤掉10.7MHz以外的信号后从17脚输入到内部进行中频放大,后经内部电路和2脚所接的陶瓷晶振组成的鉴频电路鉴频,从23脚输出音频信号。23脚输出的音频信号很小,通过C16再从24脚送入内部进行音量控制、功率放大后,最后才从27脚输出,经C19推动喇叭发声。15脚为波段选择引脚, AM接收时接地,FM接收时接103瓷片电容对地。19脚为调谐指示引脚,收到一定强度的信号后输出低电平。4脚为电调音量控制端。
电路原理图和原理:

/0/s---2320--.htm
查看和发表评论 管理员一般会在8-48小时内回复,会删除无意义的留言以及重复留言,请保证留言标题清晰,内容明确! 1、评论不代表本站观点。 另外,即使是本站原创作品,本站也不保证内容绝对正确。 2、如果您拥有本文版权,并且不想在此处发表,请书面通知本站立即删除并且向您公开道歉! |