四键遥控器:面板上有A、B、C、D四位操纵按键及一个发射指示灯。发射机内部采用进口声表谐振器稳频,频率一致性非常好,稳定度极高,工作频率315MHZ频率稳定度优于10-5,使用中无需调整频点,特别适合多发一收等无线电遥控系统使用。 技术指示: 采用PT2260编码IC 发射频率315MHz 发射距离100m左右 尺寸:58x39x14mm 工作电压 12V(23A电池已配) 工作电流 ≤9mA
遥控器的频率要相同.(发射是315M,接收也要315M;发射是433M,接收也要433M).
1. 编码IC(集成块)要相同.(比如原配遥控器是2262,那么要调配的也要是2262或是2260.<封装形式不一样>)
2. 振荡电阻要相同.(2262的15-16脚位是振荡电阻脚位.
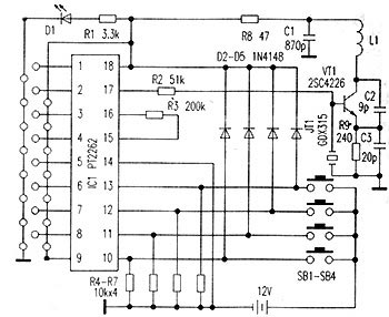
2262 2272编解码IC应用原理简图以及振荡电阻对应表格如下:

3. 数据端要相同.(2262的10-13脚 是数据端).
10 ( ) 为什么说要一样,每个厂家 10脚 图标符号( A或B )
11 ( ) 定义不一样 11脚 图标符号(上锁或解锁)
12 ( ) 12脚 图标符号(上角或方块)
13 ( ) 13脚 图标符号(1或2的字样)
4. 编码要相同.(2262的1-8脚位是地址码,通常表示H为高电平,L为低电平.)
例如:原配遥控器:1 2 3脚位 接H,
4 5 6脚位 接L
那么需调配的遥控器也要:1 2 3脚位 接H
4 5 6脚位 接L
2262的脚位: 1-8脚 地址码
9 脚 负极
10-13脚 数据端
14脚 负极
15-16脚 振荡电阻
17脚 输入
18脚 正极
几个条件都相同,就可以和原配遥控器相同使用.
接收板:频率315MHZ/振荡电阻200K/编解码芯片均兼容PT2262/2272系列 接收模块从工作方式分,可以分成超外差接收板和超再生接收板。超再生式接收机具有电路简单、性能适中、成本低廉的优点所以在实际应用中被广泛采用。
适用范围: 1、汽车、摩托车防盗器; 2、家庭防盗报警器; 3、各种遥控控制,电动窗帘,卷帘门,停车场道阐控制;

查看和发表评论 管理员一般会在8-48小时内回复,会删除无意义的留言以及重复留言,请保证留言标题清晰,内容明确! 1、评论不代表本站观点。 另外,即使是本站原创作品,本站也不保证内容绝对正确。 2、如果您拥有本文版权,并且不想在此处发表,请书面通知本站立即删除并且向您公开道歉! |